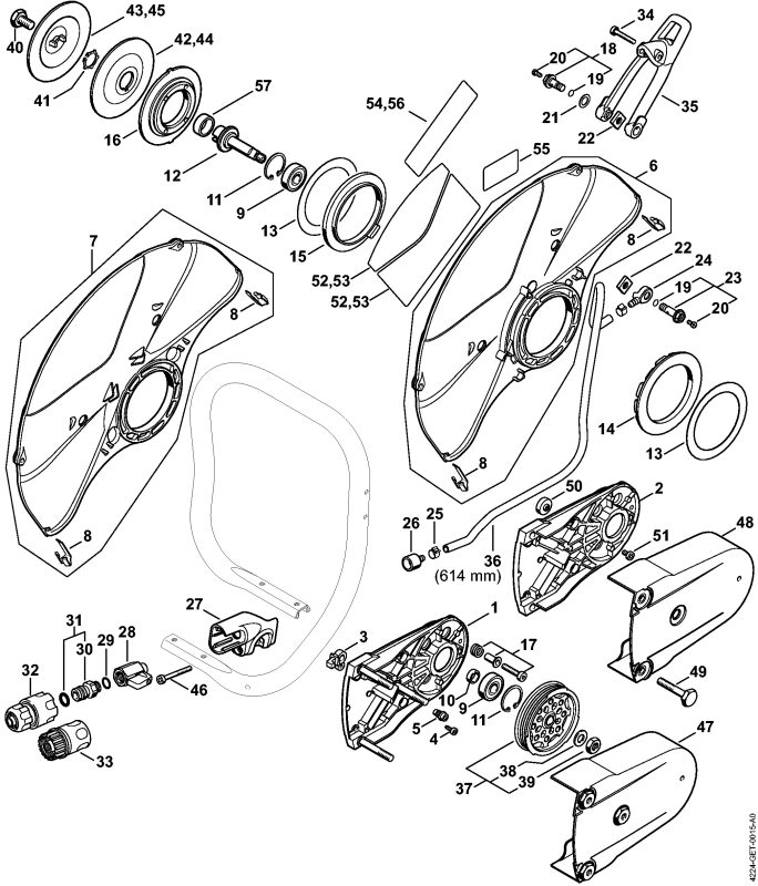
Početna / Stihl deo / TS 700 Ležaj sa oklopom sa priključkom za vodu (43.2007 Nazad TS 700 Ležaj sa oklopom sa priključkom za vodu (43.2007 Prikaži sve šeme -1 -1 1 2 3 4 5 6 7 8 9 10 11 12 13 14 15 16 17 18 19 20 21 22 23 24 25 26 27 28 29 30 31 32 33 34 -1 35 36 37 38 39 40 41 42 43 44 45 46 47 48 49 55 -1 Naziv: Ležaj sa oklopom Ø 350 mm Sadrži: 1 - 35, 37 - 43 SKU: 42246900102 -1 Naziv: Ležaj sa oklopom Ø 350 mm Sadrži: 1 - 23, 26 - 35, 37 - 43, 48, 49 SKU: 42246900101 1 Naziv: Oklop SKU: 42247008103 2 Naziv: Ležaj SKU: 42247913903 3 Naziv: Sigurnosni prsten 32x1,2 SKU: 94566213600 4 Naziv: Žlebljeni kuglični ležaj DIN625-6201-2RS SKU: 95030036440 Cena 2112 din. Količina - + Ukupno 2112 din. Dodaj u korpu 5 Naziv: Prsten SKU: 00009611206 6 Naziv: Vratilo SKU: 42017040504 7 Naziv: Podloška SKU: 42017069202 8 Naziv: Gumeni prsten SKU: 42217068800 9 Naziv: Gumeni prsten SKU: 42217068801 10 Naziv: Poluga za nameštanje Sadrži: 11 SKU: 42247002900 11 Naziv: Cevasti zakivak DIN7340-AK6,5x0,5x3 SKU: 94168686510 12 Naziv: Zavrtanj IS-M5x12-10.9 SKU: 90223410960 13 Naziv: Prirubnica SKU: 42057062903 14 Naziv: Zavrtanj IS-M6x28-10.9 SKU: 90223411358 15 Naziv: Čaura SKU: 42247043200 16 Naziv: Pritisna opruga SKU: 00009971303 17 Naziv: Podloška SKU: 00009581212 18 Naziv: Vudrufov klin SKU: 42230368600 19 Naziv: Remenik SKU: 42247648501 20 Naziv: Podloška 10,5 SKU: 92910210200 21 Naziv: Šestougaona navrtka DIN936-M10x1LH-05 SKU: 92112601350 22 Naziv: Sigurnosni prsten 20x1,2 SKU: 94507212150 23 Naziv: Zavrtanj SKU: 42017088402 24 Naziv: Pritisna podloška SKU: 42017083004 25 Naziv: Pritisna podloška SKU: 42017083014 26 Naziv: Držač SKU: 42247006800 27 Naziv: Cevni priključak SKU: 42386778200 28 Naziv: Zaporna slavina SKU: 42017004500 Cena 1476 din. Količina - + Ukupno 1476 din. Dodaj u korpu 29 Naziv: Zaptivni prsten SKU: 00009541701 30 Naziv: Priključak za crevo Sadrži: 31 SKU: 42017007300 Cena 792 din. Količina - + Ukupno 792 din. Dodaj u korpu 31 Naziv: O-prsten N 10x3-NBR70 SKU: 96459457506 32 Naziv: Spojni naglavak SKU: 42016701700 33 Naziv: Crevo 5,6x1,9x614 mm SKU: 0000I000671 34 Naziv: Crevo 5,6x1,9x220 mm SKU: 0000I000674 -1 Naziv: Crevo SKU: 00009374049 35 Naziv: Obujmica za crevo 10/7 SKU: 97710210921 36 Naziv: Obujmica za crevo 9,5/7 SKU: 97710210920 37 Naziv: Cevni priključak SKU: 42246778201 38 Naziv: Cevni priključak SKU: 42246778202 39 Naziv: Zavrtanj SKU: 42017088400 40 Naziv: Skrutka s valcovou hlavou M4 x 30 SKU: 90412160950 41 Naziv: Šestougaona navrtka DIN936-G1/8" SKU: 92110218900 42 Naziv: Stezna obujmica SKU: 41197919400 43 Naziv: Zaporni čep SKU: 00007064600 44 Naziv: Uzengija SKU: 42247089100 45 Naziv: Zavrtanj IS-M6x16-10.9 SKU: 90223411280 46 Naziv: Oklop SKU: 42247008100 47 Naziv: Zavrtanj SKU: 42247088400 48 Naziv: Pritisna podloška SKU: 42057083010 49 Naziv: Pritisna podloška SKU: 42057083000 55 Naziv: Pločica s napomenom SKU: 42249673701 Povezani delovi TS 700 Sistem za paljenje TS 700 Rezervoar za vodu pod pritiskom (28.2010) TS 700 Rezervoar za vodu pod pritiskom
4 Naziv: Žlebljeni kuglični ležaj DIN625-6201-2RS SKU: 95030036440 Cena 2112 din. Količina - + Ukupno 2112 din. Dodaj u korpu
28 Naziv: Zaporna slavina SKU: 42017004500 Cena 1476 din. Količina - + Ukupno 1476 din. Dodaj u korpu
30 Naziv: Priključak za crevo Sadrži: 31 SKU: 42017007300 Cena 792 din. Količina - + Ukupno 792 din. Dodaj u korpu