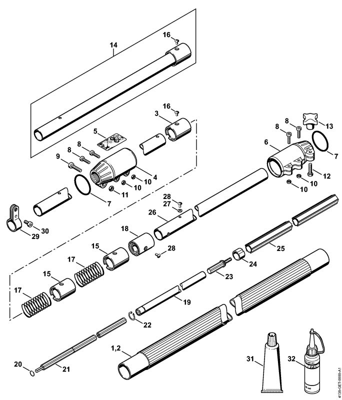
Početna / Stihl deo / HT 75 Telo HT 75 (42.2007) Nazad HT 75 Telo HT 75 (42.2007) 1 2 3 4 5 6 7 8 9 10 11 12 13 14 15 16 17 18 19 20 21 22 23 24 25 26 27 28 29 30 31 32 1 Naziv: Telo Sadrži: 2, 5 - 28 SKU: 41387107103 2 Naziv: Telo SKU: 41387107105 Cena 10476 RSD Količina - + Dodaj u korpu 3 Naziv: Ležaj Sadrži: 4 - 6, 16 SKU: 41387403201 4 Naziv: Stezni deo Sadrži: 5 SKU: 41387403701 5 Naziv: Pločica s napomenom SKU: 41829673700 6 Naziv: Stezni deo SKU: 41387166500 7 Naziv: O-prsten N 40x4-EPDM70 SKU: 96459487995 8 Naziv: Cilindrični vijak IS M5x20 SKU: 90223711020 9 Naziv: Cilindrični vijak IS M6x20 SKU: 90223411300 10 Naziv: Šestougaona navrtka M5 SKU: 92102600700 11 Naziv: Šestougaona navrtka M6 SKU: 92103190900 12 Naziv: Šestougaoni vijak M6x25 SKU: 90083191350 13 Naziv: Leptir navrtka SKU: 41387161200 14 Naziv: Telo Sadrži: 16 SKU: 41387107101 15 Naziv: Ležaj SKU: 41387403200 16 Naziv: Slepi zakivak DIN7337-A4x6,5 SKU: 94380033171 17 Naziv: Opruga SKU: 41387119100 Cena 272.4 RSD Količina - + Dodaj u korpu 18 Naziv: Ležaj SKU: 41827403200 19 Naziv: Pogonsko vratilo Sadrži: 20 - 23 SKU: 41387103203 20 Naziv: Ekspanzioni prsten 12 SKU: 94586211130 21 Naziv: Pogonsko vratilo SKU: 0000I000314 22 Naziv: Sigurnosni prsten 15x1 SKU: 94556211520 23 Naziv: Zahvatač SKU: 41387403501 24 Naziv: Prsten SKU: 41387119002 25 Naziv: Cev ležaja SKU: 41387117300 Cena 1098 RSD Količina - + Dodaj u korpu 26 Naziv: Telo Sadrži: 18, 24, 27, 28 SKU: 41387107115 Cena 5724 RSD Količina - + Dodaj u korpu 27 Naziv: Podloška 4,3 SKU: 92910210100 28 Naziv: Slepi zakivak DIN7337-A4x6,5 SKU: 94380033171 29 Naziv: Set Sadrži: 30 SKU: 41400071006 30 Naziv: Zavrtanj IS M6x14 SKU: 90223411270 31 Naziv: Naglavak SKU: 07811206000 32 Naziv: Utisni fluid OH 723 50ml boca SKU: 07819579000 Povezani delovi HT 75 Ugaoni prenosni mehanizam HT 75 Telo HT 75 Telo HT 75 HT 75 Sistem za paljenje, spojnica